跳转到主要内容

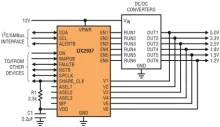
电源排序得以简化

cathy /

<strong><font color="#FF0000">作者:ADI公司 混合信号产品部 高级应用工程师 Nathan Enger</font> </strong>

设计多轨电源时,每增加一个电源轨,挑战都会成倍增加。设计师必须考虑怎样动态协调电源排序和定时、加电复位、故障监视、提供恰当的响应以保护系统等方方面面。有经验的设计师都知道,随着项目从原型向生产环境转变,成功应对这种动态变化环境的关键是灵活性。在开发过程中,能够最大限度减少软硬件更改的解决方案是理想解决方案。

理想的多轨电源设计方法是,一项设计自始至终只用一个 IC,在该产品的整个生命周期中无需更改布线。该 IC 对多个电源轨自主进行监察和排序,并与其他 IC 协作,无缝地监察系统中多个电源稳压器,提供故障和复位管理。当系统连接到 I2C 总线时,设计师可以运用功能强大、基于 PC 的软件,实时配置系统、实现系统可视化并调试系统。

看完这篇,吃透各种电源滤波电路~

cathy /

<strong>引言 </strong>

在整流电路输出的电压是单向脉动性电压,不能 直接给电子电路使用。所以要对输出的电压进行滤波, 消除电压中的交流成分,成为直流电后给电子电路使 用。在滤波电路中,主要使用对交流电有特殊阻抗特性 的器件,如:电容器、电感器。本文对其各种形式的滤波 电路进行分析。

<strong>一、滤波电路种类 </strong>

滤波电路主要有下列几种:电容滤波电路,这是最 基本的滤波电路;π 型 RC 滤波电路;π 型 LC 滤波电 路;电子滤波器电路。

<strong>二、滤波原理</strong>

<strong>1. 单向脉动性直流电压的特点 </strong>

如图 1(a)所示。是单向脉动性直流电压波形,从 图中可以看出,电压的方向性无论在何时都是一致的, 但在电压幅度上是波动的,就是在时间轴上,电压呈现 出周期性的变化,所以是脉动性的。

无线医疗仪表设计,你照顾好电源了吗?

cathy /

在患者护理情形中医疗产品通常对于可靠性、运行时间和坚固性有着高得多的标准,不仅必须确保它们能够依靠多种电源实现无缝运行,并在对从患者身上收集的数据进行无线传输的过程中提供高可靠性。新型电源 IC 让无线医疗仪表受益。

<strong>背景</strong>

与许多其他的应用一样,低功率高精度组件实现了便携式和无线医疗仪器的快速成长。不过,和很多其他应用不同的是,此类医疗产品通常对于可靠性、运行时间和坚固性有着高得多的标准。这个负担大部分落在电源系统及其组件的身上。医疗产品必须正确地操作,并在多种电源 (例如:交流电源插座、备份电池、甚至是收集的环境能量源) 之间无缝地切换。此外,还必须竭尽全力地提供针对各种不同故障情况的保护及耐受能力,尽量地延长依靠电池供电时的工作时间,并确保每当接入了某种有效电源时正常的系统操作是可靠的。

<strong>患者护理,推动便携式和无线医疗仪表成长的关键因素</strong>

智能IC解决方案,简化电信和数据通信系统中的电源

cathy /

电信和数据通信系统中常见的下一代路由器和交换机的复杂性和可扩展性不断提高,这给电源制造带来了压力,因为人们需要提供智能灵活、可横跨多种平台扩展的高效率电源解决方案。

系统设计师经常会需要几种基础架构变体,以能够提供高、中、低端系统,且每种系统都有一套不同的功能。可根据系统需要增设、移除或调整大小的器件类型实例包括;内容可寻址存储器 (CAM)、三元内容可寻址存储器 (TCAM)、专用集成电路 (ASIC)、全定制硅芯片和现场可编程门阵列 (FPGA)。

<strong>背景信息</strong>

<strong>CAM</strong>

CAM 通常被描述为与随机存取存储器 (RAM) 完全不同。如欲检索 RAM 中的数据,操作系统必须提供数据所在的存储器地址。存储在 CAM 中的数据可通过执行对内容的查询来访问,存储器检索可以找到数据的地址,而且速度比 RAM 快得多。可以确定的是,任何能够以千兆位线速率转发以太网帧的交换器都使用 CAM 进行查找。在采用 RAM 的系统中,操作系统将不得不记住存储所有内容的地址,而当采用 CAM 时,操作系统在单次操作中就能找到它所需要的东西。

<strong>TCAM</strong>

内阻对电源到底有什么影响?

cathy /

在学习电流源和电压源时,关于电源内阻的问题经常会困惑很多人,只记得电压源与外界负载连接时认为内阻是和外界负载串联;电流源与外界负载连接时认为内阻是和外界负载并联,使用时要求电压源内阻越小越好,电流源内阻越大越好!并不理解为什么?内阻这个东西到底对电源的影响是什么?为什么要内阻和外界负载相匹配电源输出才能达到最大功率?

<strong>一、基本概念</strong>

1、电路由电源和负载构成;

2、电路分成内电路和外电路两部分,电源电路就是内电路;

3、电流通过电源内电路时也有电阻,这个电阻叫内电阻;

4、电流在内电阻上同样要消耗电能发热;

5、作为电源,内阻上的消耗不仅是一种的浪费,而且会使电源本身温升,严重时会损坏电源!

6、电源的内阻是实实在在导体电阻!

<strong>二、内阻和外界负载相匹配电源输出才能达到最大功率,为什么?</strong>

<strong>1、电源的功能有两种情况:</strong>

一是作为负载的能源,既我们说的电力电源;

智能灵活的大电流 DC/DC 控制器简化电信和数据通信系统中的电源

cathy /

电信和数据通信系统中常见的下一代路由器和交换机的复杂性和可扩展性不短提高,这给电源制造带了了压力,因为人们需要提供智能灵活、可横跨多种平台扩展的高效率电源解决方案。系统设计师经常会需要几种基础架构变体,以能够提高、中、低系统,且每种系统都有一套不同的功能。可根据系统需要增设、移除或调整大小的器件类型实例包括:内容可寻址存储器(CAM),三元内容可寻址存储器(TCAM)、专用集成电路(ASIC)、全定制硅芯片和现场可编程门阵列(FPGA)。

模电里的这八大基本概念,你不得不掌握!

cathy /

在电子电路中,电源、放大、振荡和调制电路被称为模拟电子电路,因为它们加工和处理的是连续变化的模拟信号。

<strong>1. 反馈</strong>

反馈是指把输出的变化通过某种方式送到输入端,作为输入的一部分。如果送回部分和原来的输入部分是相减的,就是负反馈。

<strong>2. 耦合</strong>

一个放大器通常有好几级,级与级之间的联系就称为耦合。放大器的级间耦合方式有三种:

①RC 耦合(见图a): 优点是简单、成本低。但性能不是最佳。
② 变压器耦合(见图b):优点是阻抗匹配好、输出功率和效率高,但变压器制作比较麻烦。
③ 直接耦合(见图c): 优点是频带宽,可作直流放大器使用,但前后级工作有牵制,稳定性差,设计制作较麻烦。

集成电路为高可靠性电源提供增强的保护和改进的安全功能

cathy /

高可靠性系统设计包括使用容错设计方法和选择适合的组件,以满足预期环境条件并符合标准要求。

本文专门探讨实现高可靠性电源的半导体解决方案,这类电源提供冗余、电路保护和远程系统管理。本文将突出显示,半导体技术的改进和新的安全功能怎样简化了设计,并提高了组件的可靠性。

<strong>高可靠性电源系统的要求</strong>

在理想的世界里,高可靠性系统应该设计为能够避免单点失效,有办法在保持运行 (但也许是在降低的性能水平上) 的情况下隔离故障。高可靠性系统还应该能够抑制故障,避免故障传播给下游或上游电子组件。

内置冗余是一种解决方案,这可以采用并联电路以主动分担负载或者在故障发生之前以备用模式等待。在每一种内置冗余方式中,实现故障检测和管理都需要额外的电路开销,这提高了总的复杂性和成本。有些系统还建立了不同的并联电路,以增加多样性,避免产生相同故障机制这种风险,某些飞行控制系统就是这么做的。

提高系统复杂性给电源性能造成了更大负担,因此高转换效率和良好的热量管理变得至关重要了,因为结温每上升 10°C,IC 寿命大约减少一半。正如我们将看到的那样,现在新功能丰富的电源 IC 和专用电源管理功能增强了对 IC 本身及其周围系统的保护。

电源系统管理的寻址

cathy /

<strong>引言</strong>

包括凌力尔特电源系统管理 (PSM) 在内的所有 PMBus 应用的基础都是,PMBus 主器件 (系统主器件) 能够与总线上的所有 PMBus 从属器件 (PSM 控制器、PSM 管理器、PMS µModule 和 PMBus 单片器件) 通信。总线上的每个从属器件都必须拥有与其他器件不冲突的、独一无二的地址。

总线主器件还必须能够在几种并非大多数人都认为顺理成章的情况下与 PSM 从属器件通信,包括:

☞ 地址发现
☞ 全局行动
☞ 多相轨
☞ 无效非易失性存储器 (NVM)
☞ 总线 MUX

器件寻址是由基址寄存器加上外部地址选择 (ASEL) 引脚以及特殊的全局、轨、ARA 地址及其他特殊地址相结合实现的。

本文探讨凌力尔特 PSM 系列的基本设计原则、有关产品系列之间不同之处的详细信息、以及实际例子和建议。诸如无效 NVM 等特殊情况也会讨论。

这四种常见电源你可要区分好了,不懂的看这!

cathy /

DCpower一般是指带实际电压的源,其他的都是标号(在有些仿真软件中默认的把标号和源相连的)VDD:电源电压(单极器件);电源电压(4000系列数字电路);漏极电压(场效应管)VCC:电源电压(双极器件);电源电压(74系列数字电路);声控载波(VoiceControlledCarrier)VSS:地或电源负极VEE:负电压供电;场效应管的源极(S)VPP:编程/擦除电压。

<strong>一、解释</strong>

DCpower一般是指带实际电压的源,其他的都是标号(在有些仿真软件中默认的把标号和源相连的)VDD:电源电压(单极器件);电源电压(4000系列数字电路);漏极电压(场效应管)VCC:电源电压(双极器件);电源电压(74系列数字电路);声控载波(VoiceControlledCarrier)VSS:地或电源负极VEE:负电压供电;场效应管的源极(S)VPP:编程/擦除电压。

VCC:C=circuit表示电路的意思,即接入电路的电压;
VDD:D=device表示器件的意思,即器件内部的工作电压;
VSS:S=series表示公共连接的意思,通常指电路公共接地端电压。

<strong>二、另外一种解释:</strong>

电源