跳转到主要内容

适用于DC母线和电池组接口的全新高效率、 隔离式双向DC-DC转换器

cathy /

本文主要介绍全新双向DC-DC转换器的设计与分析。这项全新的拓扑及其控制策略彻底解决了传统双向DC-DC转换器(电源容量及效率有限)中存在的电压尖峰问题。该转换器不仅可用作电池组和DC母线接口,而且还可双向(电池充电方向和母线支持方向)高效工作。此外,本文还分析了电路及系统实施中每个区块的工作原理。实验结果显示双向都能实现高效率。300W输入(为电池充电)1500W输出(支持母线)样机为电池充电的效率高达92.9%(300W),支持母线的效率达93.6%(1500W)。重新配置或并联可轻松实现更高的功率级别。

<strong>介绍</strong>

作为电池制造工艺的一部分,电池单元或电池组必须通过测试,才能确保其能适当保持电池容量和正常功能。实施这类测试系统的标准方法包含电源电路和负载两部分,其中电源电路可以正确的方式为电池充电,而负载则可用于在测试电池放电全过程。在该配置中,系统效率为0%,即用于测试电池的所有能量均已耗散。

使用双向DC-DC转换器,可将耗散的能量返回系统,从而实现电池测试充电能量的循环利用。返回的能量随后可用于测试后续的电池单元,所产生的功耗只来自于充放电电源转换效率的损失,不会因放电的负载而产生功率损耗。

关于隔离式数字输入模块的那些事儿~

cathy /

虽然隔离式数字输入模块和数字隔离器听起来很相似,但实际上它们之间却存在着明显的差异。阅读本博文后,希望您能够轻松分辨出两个隔离模块之间的区别。

<strong>内部结构</strong>

数字隔离器充当隔离数字信号路径的基本(或通常是增强)功能。来自德州仪器(TI)的数字隔离器采用的是电容性隔离结构,其绝缘屏障由两个采用互补CMOS工艺构建的高压电容器组成。高频载波通过隔离栅在初级侧与次级侧间进行通信,TI的数字隔离器能够承受高达12.8 kV的浪涌电压和1.5 kV的工作电压,而不会破坏双电容屏障。数字隔离器的一个关键功能是提供基本或增强型隔离。

如何选择合适的隔离式栅极驱动器?看完这篇秒懂!

cathy /

在电源电子(例如驱动技术)中,IGBT(隔离式栅极驱动器 - Insulated Gate Bipolar Transistor)经常用作高电压和高电流开关。这些功率晶体管由电压控制,其主要损耗产生于开关期间。为了最大程度减小开关损耗,要求具备较短的开关时间。

然而,快速开关同时隐含着高压瞬变的危险,这可能会影响甚至损坏处理器逻辑。因此,需要为IGBT提供合适栅极信号的栅极驱动器,还需要执行提供短路保护并影响开关速度的功能。然而,在选择栅极驱动器时,某些特性也是至关重要的。

深度丨隔离式栅极驱动器揭秘

cathy /

<strong>摘要</strong>

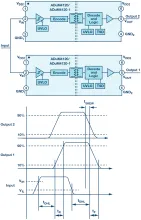
IGBT/功率MOSFET是一种电压控制型器件,可用作电源电路、电机驱动器和其它系统中的开关元件。栅极是每个器件的电气隔离控制端。MOSFET的另外两端是源极和漏极,而对于IGBT,它们被称为集电极和发射极。为了操作MOSFET/IGBT,通常须将一个电压施加于栅极(相对于器件的源极/发射极而言)。使用专门驱动器向功率器件的栅极施加电压并提供驱动电流。本文讨论栅极驱动器是什么,为何需要栅极驱动器,以及如何定义其基本参数,如时序、驱动强度和隔离度。

<strong>需要栅极驱动器</strong>

IGBT/功率MOSFET的结构使得栅极形成一个非线性电容。给栅极电容充电会使功率器件导通,并允许电流在其漏极和源极引脚之间流动,而放电则会使器件关断,漏极和源极引脚上就可以阻断大电压。当栅极电容充电且器件刚好可以导通时的最小电压就是阈值电压(VTH)。为将IGBT/功率MOSFET用作开关,应在栅极和源极/发射极引脚之间施加一个充分大于VTH 的电压。

隔离式USB转隔离式RS-485/隔离式RS-232接口

cathy /

<strong>电路功能与优势</strong>

图1所示电路提供使用广泛的USB总线与RS-485或RS-232总线之间的完全隔离连接。信号和电源隔离确保USB设备与工业总线或调试端口之间实现安全接口,允许监控TIA/EIA-485/232总线流量,并且便于向未配备RS-485或RS-232端口的PC发送命令或从该PC接收命令。本电路中的隔离能提供电气线路浪涌保护并断开总线和数字引脚之间的接地连接,增加系统安全性和鲁棒性,进而消除系统中可能存在的接地环路。在工业和仪器仪表应用中,TIA/EIA RS-485总线标准是使用最广泛的物理层总线设计标准之一。RS-485提供多个系统之间的差分数据传输,这些系统通常相距很远。相比RS-232标准,RS-485通信可通过差分通信方式提供额外的鲁棒性。