跳转到主要内容
editor Chen 提交于

解决问题的方法通常不止一种。有时使用最广泛的方法并不会产生最大利益。电机控制项目的系统设计人员使用各种电流测量方法确保电机高效运行并防止可能的损坏。在电机设计中有三种主要方法可测量电流。在本博文中,将回顾这三种方法,并分享直列式电机电流感应使用增强型脉冲宽度调制(PWM)抑制的五大优势。

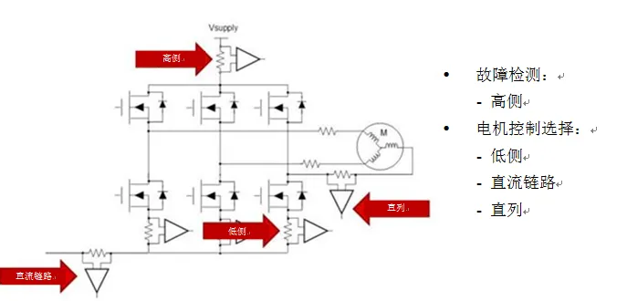
如图1所示,基本上有三种不同的方法来测量三相电动机驱动系统中的电流:低侧、直流链路和直列测量。图1所示的是传统三相PWM逆变器,该逆变器使用三对功率MOSFET(绝缘栅双极晶体管IGBT也很常见)来驱动直流电动机。该图还包括高侧电流感应,其通常在显著错误情况下使用,比如接地电路短路的情况。

<center><img src="http://mouser.eetrend.com/files/2017-03/wen_zhang_/100005449-17230-1.pn…; alt="图1:三相电机驱动系统的各种电流感应方法"></center>
<center><i>图1:三相电机驱动系统的各种电流感应方法</i></center>

许多设计人员使用前两种方法(低侧、直流链路及其各种组合),因为标准电流感应解决方案很容易获得——通常具有快速响应时间、更高带宽、快速输出转换速率和低共模输入电压。但是,这些现有的产品可通过低侧或直流链路感应相电流,但并不意味着就是最简单的解决方案。用这些方式测量电流的主导思想是试图复制被驱动到电机绕组中的电流。这种复制情况发生在软件中;它可广泛参与,但不够精确。

直列式电流感应方法看似是最合理的,因为这是最终要测量的电流。但这种方法存在一个问题。驱动MOSFET或IGBT的PWM信号对电流感应放大器造成严重破坏。感测电阻处的共模信号从电源电压被驱动到接地,具有非常快速的瞬态开关特性,而电流感应放大器试图测量感测电阻本身的小差分信号。图2是由PWM逆变器产生的正弦相电流(红色波形)的示波器截图。这种情况下,PWM频率为100兆赫(MHz),由LMG5200 GaN半桥功率级提供(更多详细信息,请参见底部的TI设计)。需要注意的是,快速开关信号是直列式电流感应放大器测量相电流时所接收的信号。这就像在有飓风的情况下,当杯子在海上漂浮,而试图测量杯中液体一样。难怪大多数设计师会考虑使用低侧感应!下面我们将介绍另外一种方法。

<center><img src="http://mouser.eetrend.com/files/2017-03/wen_zhang_/100005449-17231-2.pn…; alt="图2:在快速共模瞬变期间测量相电流"></center>
<center><i>图2:在快速共模瞬变期间测量相电流</i></center>

描述潜在优势之前,先解释一下增强型PWM抑制。增强型PWM抑制是一种有源电路,它比传统方法更快速的稳定输出电压。因为电流感应放大器可以检测具有快速转变的输入共模信号,所以这些扰动在设备输出传播时将降至最低。减少这些干扰(被设计者亲切地称为“振铃”)的另一种方法是使用高带宽放大器(在MHz范围内)尽快稳定输出,但这种方法的成本可能很昂贵。

图3所示为在没有噪声引入的情况下,每个相的输出电压信号。红色波形是信号,表示功率晶体管尽可能接近正弦波形地复制到电动机,该晶体管以电子方式换向。电流感应放大器将经历从电源轨(例如,VBATT = 48V)到接地的输入共模电压信号。

<center><img src="http://mouser.eetrend.com/files/2017-03/wen_zhang_/100005449-17232-3.pn…; alt="图3:使用增强型PWM抑制的预期电压波形"></center>
<center><i>图3:使用增强型PWM抑制的预期电压波形</i></center>

优势1:减少消隐时间

共模PWM瞬态抑制允许在电流感应放大器的输出上具有较少的“振铃”。不得不等待电压信号稳定是主要的缺点,特别是对于需要低忙闲度(≤10%)的系统更是如此,因为测量电流的时间缩短了(在工业上通常称为消隐时间)。

优势2:直列电流感应

与高共模输入电压相结合,增强型PWM抑制可监控直列式电流。前面讨论过,由于其暴露的恶劣环境,电流感应放大器的鲁棒性是必须的。除这一要求外,放大器还必须具有高AC和DC精度,为系统设计人员提供精确的电流传感器测量,您可在TI TechNote中使用INA240阅读更多的直列式电机电流感应的信息。

优势3:可能消除电隔离

增强型PWM抑制的另一个优势很微妙,但又很重要。通过增强型PWM抑制,当电流隔离并非系统所要求时,设计人员无需使用隔离的电流感应设备。客户经常使用隔离设备来解耦PWM信号通过感测电阻时产生的噪声。使用增强型PWM抑制不再需要去耦。

优势4:算法优化

我之前提到过这一优势——算法优化。利用增强型PWM抑制,不需要再复制或计算相电流,因为可直接得到现成答案。只需很少的软件就能有效地运行电机。

优势5:提高电机效率

我想谈谈最后一个优势——提高电机效率,这对设计师来讲可以说是最重要的。电机制造商和电机驱动系统设计者一直在寻找提高电机效率的方法。高AC和DC精度、快速的输出响应和减少消隐时间使得电机以尽可能高的效率运行。多相电机的精确定时控制尽可能地减少消隐时间,从而最大化电机效率。

图4所示为五大优势。

<center><img src="http://mouser.eetrend.com/files/2017-03/wen_zhang_/100005449-17233-4.pn…; alt="图4:增强型PWM抑制的五大优势"></center>
<center><i>图4:增强型PWM抑制的五大优势</i></center>

德州仪器的INA240电流感应放大器使用增强型PWM抑制,为您的电机设计带来了丰富的系统级优势。