前言
在追求高效能与高功率密度的现代电力电子领域,氮化镓(GaN)技术正引领着一场深刻的变革。为应对快速充电、数据中心能源、绿色照明及工业电源等应用对开关频率、效率与可靠性的严苛要求,集成化、智能化的功率半导体解决方案已成为行业发展的关键。值此之际,氮矽科技正式推出其新一代高压GaN功率集成芯片 DXC650S1K2H。
产品概述
DXC650S1K2H 是一款高度集成的氮化镓驱动芯片,其核心价值在于有效解决了传统分立方案中存在的驱动匹配困难、布局复杂以及可靠性不足等关键痛点。该芯片内部不仅集成了耐压700V,导阻1.2Ω (Max),连续电流可达1.6A的 GaN HEMT,更包含了氮化镓专用驱动、欠压锁定(UVLO)及 Brown-in/out 功能,构成了一个完整的高压开关解决方案。

技术优势详解
高集成度与易用性:DXC650S1K2H采用SOP10封装,具有低寄生电感和电阻,用户无需设计复杂的负压驱动电路,也无需担心多个器件并联时的阈值不一致问题,大幅降低了设计难度与系统成本。
强健的电压耐受能力:DXC650S1K2H在瞬态和浪涌条件下可耐受更高电压(如瞬态峰值750V、浪涌峰值850V),适用于电网波动、雷击等严苛环境。
优异的热管理与可靠性:芯片结壳热阻低至8.9°C/W,支持在-40°C至125°C的环境温度下稳定工作,符合MSL3回流焊标准,适用于自动化贴片生产。
低驱动损耗,提升能效:超低输入电容使栅极电压的建立和关断速度越快,缩短器件的开通关断时间;且对驱动电路的驱动能力要求更低,栅极回路的寄生参数影响更小,高频工作时的稳定性更高。
开通关断时间可调:通过在栅极与OUTH(上拉端)、OUTL(下拉端)分别连接电阻,能单独控制开通关断时间,精准匹配不同拓扑结构对脉冲特性的差异化要求。
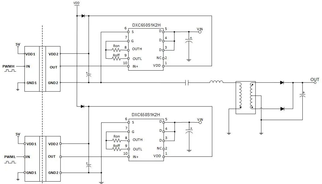
典型应用图
下述产品应用框图清晰展示了DXC650S1K2H在典型功率系统中的核心位置与连接关系,有助于工程师快速理解其接口定义、信号流向,为系统架构设计与外围电路配置提供直观参考。

广泛的应用前景
高频高压脉冲模块电源
AC/DC适配器与充电器
LED驱动电源
功率因数校正(PFC)电路
LLC谐振转换器
无线电力传输系统
D类音频功率放大器
5MHz高频高压脉冲电源的设计方案与实现
氮矽科技已成功开发并验证了基于DXC650S1K2H的5MHz高频高压脉冲电源设计方案。该方案充分展示了芯片在高频高压应用中的卓越性能,其核心实测参数包括:在12VDC输入条件下,可稳定输出200V方波,工作频率达5MHz,脉冲上升与下降时间均小于15纳秒。在满功率连续工作状态下,芯片结温控制在110°C以内。
驱动与开关一体化设计:采用单芯片集成方案,省去了负压驱动与电平转换电路。这种设计将驱动回路缩至最短,有效避免了因驱动阻抗不匹配和寄生电感引起的开关振荡问题,使设计重点能够集中于功率主回路的优化。
优化的热设计与功率密度:借助芯片自身低损耗与低热阻(8.9°C/W)特性,该设计在紧凑空间内实现了有效温升控制。系统在无额外散热的自然对流条件下,仍可稳定输出5MHz/200V的满功率脉冲,为设备小型化奠定基础。
波形质量的可控性与一致性:通过外置电阻独立调节芯片开通与关断速度,可实现对脉冲边沿的精准控制(可调范围5ns-20ns)。该特性使工程师能依据负载需求,在开关速度、损耗和EMI之间取得最佳平衡,从而确保波形的一致性与可靠性。
该应用方案表明,DXC650S1K2H能够有效解决高频高压脉冲电源的关键设计难题,为医疗成像、工业检测等对脉冲质量与可靠性要求严苛的领域,提供了一个性能卓越、易于实施的电源解决方案。

高频高压脉冲模块电源
总结
随着快充、服务器电源及新能源等领域对高功率密度与高能效电源的需求日益增长,GaN技术正成为主流选择。氮矽科技推出的DXC650S1K2H高压GaN功率芯片,进一步完善了其从中压至高压的全场景解决方案,可广泛适用于传统电源升级,以及智能家电、工业电源、通信设备等对高效率、小体积设计有更高要求的场景。
该芯片集高集成度、高性能与高可靠性于一体,为电源设计提供了更灵活、高效的方案选择。目前DXC650S1K2H已开放样品申请与批量供应,更多技术资料与应用支持可通过氮矽科技官网获取。
来源:氮矽科技