新一代SGT 30V MOSFET给PC电脑“降降温”
长晶科技重磅推出新一代 SGT Gen2.0工艺。在30V电压平台,与Gen1.0相比,Fom值可降低50%,超同期欧美系水平12.5%;相比上一代,Rsp值可降低41.6%,超同期欧美系水平16.6%,系统损耗和温升得到大幅改善。总体来看,长晶科技SGT Gen2.0系列产品的性能已经达到国际一线厂商水平。

产品介绍
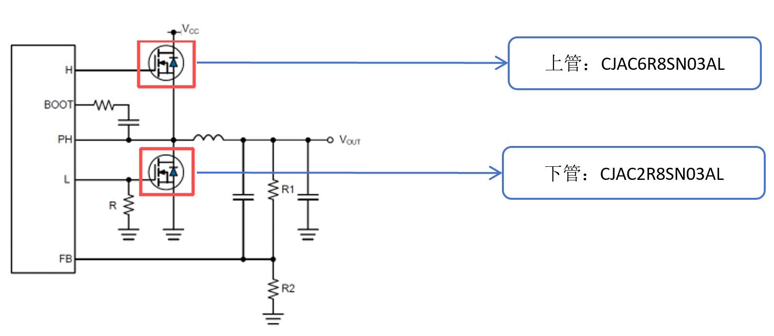
基于长晶科技SGT Gen2.0的工艺,针对PC电脑30V MOSFET的应用,长晶科技布局开发了一系列产品。其中CJAC6R8SN03AL和CJAC2R8SN03AL上下管搭配有明显优势。

(应用在红色框部分)
●CJAC6R8SN03AL:采用SGT工艺,PDFNWB5×6封装。在10V/20A条件下,Rds(on)仅有5.4mΩ,较小的Ciss以及Qrr,可以极大降低开关损耗,适用于高效率快速开关应用场景。
●CJAC2R8SN03AL:采用SGT工艺,PDFNWB5×6封装。在10V/20A条件下,Rds(on)仅有2.2mΩ,较小的导通内阻,可以极大降低导通损耗,降低器件的温升。
参数对比

整体来看,长晶科技的技术对标国际一流,且产品在关键性能上找到了最佳平衡点。在保持超低导通电阻(RDS(on))的同时,显著降低了栅极电荷(Qg),兼具了低损耗与高速度。
系统表现
将长晶产品和竞品分别放在BUCK 系统评估板,进行系统评估,结果如下表列示。
(测试条件Vin=19V,Vout=1V,Iout=15A,Fsw=650KHz,Vdri=5V,Ta=25℃)



在实际应用测试中,系统整体效率达到85.17%。相较于同类型竞品,能效提升幅度分别为0.59%、1.13%、1.63%,成功达成行业领先的能效水平。通过优化产品的热管理设计和参数,在满载运行的条件下,核心器件的温升明显降低。其中,上管温升较竞品分别降低1.0℃、3.1℃、4.6℃,下管温升较竞品分别降低1.9℃、4.9℃、6.9℃,显著增强了系统长期运行的可靠性,并有效延长了产品生命周期。
相较于参照竞品,长晶科技SGT Gen2.0系列产品系统表现优于竞品,系统效率最高,温升最低。
来源:长晶科技









