低空经济蓬勃发展下 ,无人机的应用已覆盖农业、电力、测绘、安防、物流、救援等 200 多个细分场景。随着应用场景的不断深化,行业对高精度定位、高速数据传输与高清图像处理等核心能力提出了更高要求,多系统间的高精度时钟同步,正成为提升无人机整体性能与可靠性的关键技术挑战。
作为系统时序的 “同步中枢”, Buffer(时钟缓冲器)重要性日益凸显,是确保卫星导航、飞控、图传与数传等核心模块协同工作的重要器件。面对无人机领域不断向小尺寸、低功耗、远距离、高带宽、低延时及超强抗干扰方向发展的趋势,大普技术创新推出了以INS6102B为代表的buffer产品,凭借其超小尺寸、超低功耗与高集成度等特性,为无人机精准与可靠飞行提供强有力的底层支撑。

低空经济浪潮下无人机技术迎来“时序革命”
无人机是一个高度集成和复杂的系统,集成了飞控、图传、感知、导航等多个子系统。无论是执行精准农业测绘、进行高速物流配送,还是完成复杂环境下的搜救任务,这些子系统都需要在分秒不差的节奏下协同工作,因而对时序同步提出了苛刻的要求。
Buffer(时钟缓冲器)正是实现这一目标的核心器件,能将一路时钟源信号通过频率复制生成多路时钟信号,同时还兼具有时钟分配、格式转换和电平转换的功能,可以省去原本需要的多个石英晶体或晶振,显著降低系统成本,简化电路设计,为系统多个组件提供多路参考时钟。
大普技术的 INS6102B 通过其“高度集成、高性能、低功耗和小封装”的特点,为无人机提供了“一站式”时钟解决方案。作为一个集成了电源管理、信号调理和灵活控制的时钟分配中心,通过TCXO输出经过INS6102B给数据链、GNSS提供时钟参考,直接提升了无人机在通信可靠性和导航精准度两大核心性能上的表现,同时助力了无人机的小型化和长续航设计。

INS6102B工作模式
INS6120B八大大关键特点
超小封装:晶圆级 WCSP 封装(1.6 * 0.8 * 0.5 mm)
支持正弦波输入:支持1路正弦波、削顶正弦波、方波输入
支持输入的幅度低:可接收的最小正弦波为 0.3V(峰峰值)
输出单独控制:支持2路LVCMOS输出(10MHz-80MHz),每路输出单独使能
集成低噪声LDO:LDO接受 2.3V 至 5.5V 的输入电压,输出1.8 V 50mA,为外围设备提供稳定电源
低功耗:3.6mA工作电流
输入内置耦合电容:允许从TCXO直接连接到芯片输入,无需外部电容。
低偏斜:通道间偏斜最大值为500ps
面向多元领域应用边界持续拓展
INS6102B的应用探索远不止于无人机领域。凭借其“超小封装、低功耗、高集成”的综合性优势,该器件正持续将其价值延伸至现代通信、高精度导航、便携消费电子及物联网终端等关键市场,不断拓展Buffer(时钟缓冲器)技术的应用边界。
无线通信
针对该领域对信号稳定性和可靠性的极致追求,INS6102B可用于温补和恒温晶振时钟分配,其正弦波输入INS6102B为频综、基带信号处理器、数字信号单元提供时钟参考,确保了整个信号链路的时钟质量,从而提升系统整体性能。
高精度导航系统
通过提供超低相位噪声与超高稳定性的时钟基准,确保了定位、测速与授时的精度的精准与稳定,从而在测绘、精准农业与自动驾驶等高端应用中,为用户奠定稳定可靠的精度基石。
便携移动设备及物联网终端
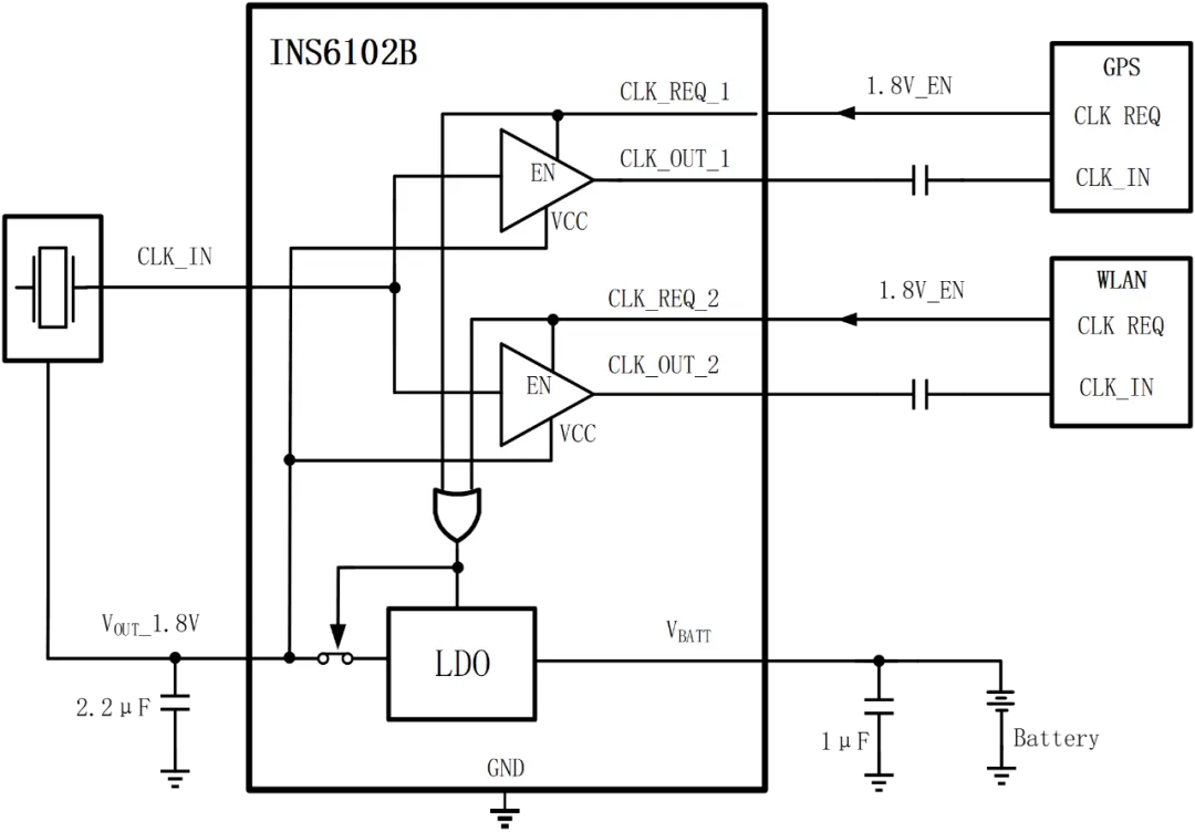
智能手机、平板电脑等设备对功耗与尺寸要求严苛,INS6102B为GNSS和WLAN提供参考时钟,确保了定位与通信模块的时钟同步,同时实现精准的功耗管理,延长设备续航。

移动设备典型应用模式
完善生态支持驱动数字经济新未来
从确保通信流畅,到提升导航精度,再到平衡便携设备的性能与续航,大普技术Buffer(时钟缓冲器)解决方案展现了其应对多样化市场挑战的能力,已成为推动行业技术升级的“隐形支撑”。
展望未来,随着低空经济、卫星通信、可穿戴设备、智能物联网的加速落地,从适配通信、工业场景,到向消费级终端渗透,大普技术正以清晰的技术迭代路径,推动时钟技术从“单点解决方案”升级为“多场景生态基石”,致力于为蓬勃发展的数智时代,持续提供高效、可靠且高性价比的时序解决方案,以创新技术定义行业新未来。
文章来源:大普技术