CYA2211是上海宸屿电子推出的一款高性能精密运算放大器,我们知道OPA2211以其出色的性能成为工业控制、精密仪器、医疗设备、音频设备等领域的理想选择。而CYA2211作为一款国产化替代方案,在实现高性能的同时,也提供了更具竞争力的价格和稳定的供货保障。
核心优势
CYA2211专为严苛应用环境设计,主要优势包括:
超低噪声与高精度:
电压噪声密度低至2nV/√Hz @ 1kHz,输入失调电压典型值仅为25 μV,保障信号放大过程的高保真与高准确度。其失调电压温漂低至0.5 μV/℃,确保在宽温范围内的出色稳定性。
宽广的带宽与高速性能:
具备35 MHz的单位增益带宽和80 MHz(G=100)的增益带宽积,压摆率高达27 V/μs,轻松应对高速信号处理,适用于数据采集和滤波系统。
强大的电源适应性:
支持±2.25V至±15V的双电源供电,最低工作电压低至4.5V,适应多种电源设计需求。
高抗干扰能力:
共模抑制比(CMRR)>105 dB,电源抑制比(PSRR)>120 dB,有效抑制共模和电源噪声,提升系统整体性能。
稳健的负载驱动能力:
可直接驱动≥50 pF容性负载而无需外部补偿,输出短路电流典型值达140 mA,保障复杂负载条件下的稳定运行。
应用领域
CYA2211的卓越特性使其广泛应用于对性能和可靠性要求极高的场合,包括:
工业自动化与控制系统:
如无线基站控制、光网络电路、应变电桥放大、RTD、热电偶信号调理等;
精密测试与测量设备:
高精度数据采集系统、传感器接口、精密滤波器;
医疗电子设备:
医疗监测设备、高精度诊断仪器;
专业音频设备:
凭借低失真(THD典型值-130 dB @ 600 Ω)和低噪声特性,适用于高端音频前置放大与处理设备。
CYA2211以其出色的性能、可靠的稳定性以及显著的国产化替代价值,成为工业、医疗、音频等众多高端应用领域的理想选择。
上海宸屿电子官网:https://www.chiphelps.com/
商城:https://mall.ichelps.com
微信小程序:芯片助手ichelps

CYA2211管脚定义

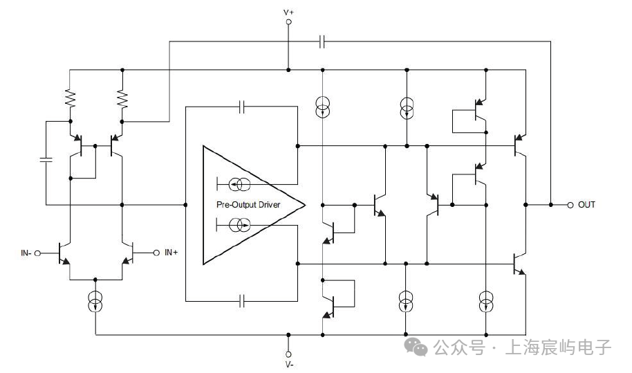
CYA2211功能框图
来源:上海宸屿电子