
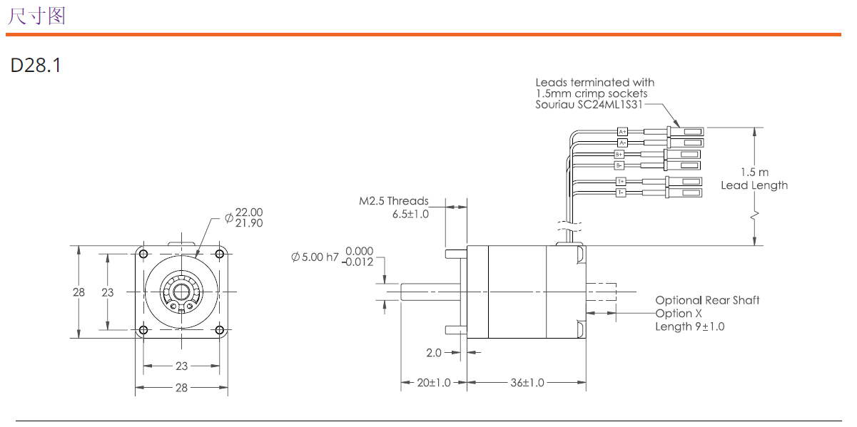
新品发布:D28.1超高真空步进电机
我们很高兴向大家宣布,AML最新研发的28系列超高真空步进电机正式发布!这款产品专为严苛的真空环境设计,具备超高真空兼容性、稳定可靠的性能和长寿命运行等优势,可广泛应用于半导体、科研仪器、物理光学、大科学装置、航空航天、生物医疗、空间技术、真空镀膜等领域的关键设备中。
核心亮点
▶超高真空适应性:支持1E-10mbar 以上真空环境,满足高端应用需求;
▶精密控制:高精度步进驱动,确保稳定、低振动的运动表现;
▶坚固耐用:优化材料与结构设计,延长使用寿命,降低维护成本;
参数规格


