2024年6月18日,致力于亚太地区市场的国际领先半导体元器件分销商---大联大控股宣布,其旗下诠鼎推出基于英诺赛科(Innoscience)InnoGaN INN700D140C和INN700DA140C芯片的300W电源适配器方案。


图示1-大联大诠鼎基于Innoscience产品的300W电源适配器方案的展示板图
随着移动设备对于充电速度和充电效率的需求不断提升,氮化镓(GaN)技术在电源适配器领域的应用日益广泛。与传统的硅(Si)相比,GaN作为第三代半导体材料具有更宽的间隙和更高的击穿电压,因而能够在紧凑的空间体积内提供更高的功率密度。针对这一特点,大联大诠鼎基于Innoscience InnoGaN INN700D140C和INN700DA140C芯片推出300W电源适配器方案,可为用户带来高效、轻便的充电体验。

图示2-大联大诠鼎基于Innoscience产品的300W电源适配器方案的场景应用图
INN700D140C和INN700DA140C均耐压为700V的增强型氮化镓晶体管,其中,INN700D140C采用DFN8*8封装,INN700DA140C采用DFN5*6封装,两款器件均适用于高功率应用。它们支持极高的开关频率,具有零反向恢复电荷,可大幅减少切换损耗,从而提高整体能效。同时,器件拥有极低的栅极电荷和输出电荷,可进一步优化驱动功率消耗和提升开关效率。

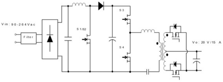
图示3-大联大诠鼎基于Innoscience产品的300W电源适配器方案的方块图
本方案应用领域广泛,不仅可以为手机、平板、笔记本电脑提供快速充电功能,还能够满足家庭场景中对高功率设备的充电需求,例如电视、电动工具、游戏机、LED灯和投影仪等。借助INN700D140C和INN700DA140C,方案在提高效率的同时大大减小适配器的体积。与常规基于Si MOS的设计对比,在相同的300W输出功率下,本方案可将产品体积缩减30%,功率密度提高8W/in³。
核心技术优势:
同等规格下功率密度和效率达到业内先进水平;
选用一块双面板,加工简单,为客户提供低成本设计方案;
开拓大功率氮化镓电源应用在适配器市场中的应用。
方案规格:
尺寸:158mm×60.5mm×20mm;
效率:95.72%@230Vac;
功率密度:25.7W/in³。
本篇新闻主要来源自大大通:
基于InnoGaN INN700D140C & INN700DA140C 设计的300W适配器电源方案
如有任何疑问,请登陆【大大通】进行提问,超过七百位技术专家在线实时为您解答。欢迎关注大联大官方微博(@大联大)及大联大微信平台:(公众账号中搜索“大联大”或微信号wpg_holdings加关注)。
关于大联大控股:
大联大控股是致力于亚太地区市场的国际领先半导体元器件分销商,总部位于台北,旗下拥有世平、品佳、诠鼎及友尚,员工人数约5,000人,代理产品供应商超过250家,全球75个分销据点,2023年营业额达美金215.5亿元。大联大开创产业控股平台,专注于国际化营运规模与在地化弹性,长期深耕亚太市场,以「产业首选.通路标杆」为愿景,全面推行「团队、诚信、专业、效能」之核心价值观,连续23年蝉联「全球分销商卓越表现奖」肯定。面临新制造趋势,大联大致力转型成数据驱动(Data-Driven)企业,建置在线数字化平台─「大大网」,并倡导智能物流服务(LaaS, Logistics as a Service)模式,协助客户共同面对智能制造的挑战。大联大从善念出发、以科技建立信任,期望与产业「拉邦结派」共建大竞合之生态系,并以「专注客户、科技赋能、协同生态、共创时代」十六字心法,积极推动数字化转型。