跳转到主要内容

CW32单片机I2C接口读写EEPROM芯片介绍

cathy 提交于

一、概述

CW32L083 内部集成 2 个 I2C 控制器,能按照设定的传输速率(标准,快速,高速)将需要发送的数据按照 I2C 规范串行发送到 I2C 总线上,或从总线上接收数据,并对通信过程中的状态进行检测,另外还支持多主机通信中的总线冲突和仲裁处理。

二、主要功能

• 支持主机发送 / 接收,从机发送 / 接收四种工作模式 

• 支持时钟延展 ( 时钟同步 ) 和多主机通信冲突仲裁

• 支持标准 (100Kbps)/ 快速 (400Kbps)/ 高速 (1Mbps) 三种工作速率 

• 支持 7bit 寻址功能 

• 支持 3个从机地址 

• 支持广播地址 

• 支持输入信号噪声过滤功能 

• 支持中断状态查询功能

1.协议介绍

I2C 总线使用两根信号线(数据线 SDA 和时钟线 SCL)在设备间传输数据。SCL 为单向时钟线,固定由主机驱动。SDA 为双向数据线,在数据传输过程中由收发两端分时驱动。I2C 总线上可以连接多个设备,所有设备在没有进行数据传输时都处于空闲状态(未寻址从机接收模式),任一设备都可以作为主机发送 START 起始信号来开始数据传输,在 STOP 停止信号出现在总线上之前,总线一直处于 被占用状态。I2C 通信采用主从结构,并由主机发起和结束通信。主机通过发送 START 起始信号来发起通信,之后发送 SLA+W/R 共 8bit 数据(其中,SLA 为 7bit 从机地址,W/R 为读写位),并在第 9个SCL 时钟释放 SDA 总线, 对应的从机在第 9个SCL 时钟占用 SDA 总线并输出 ACK 应答信号,完成从机寻址。此后根据主机发送的第 1 字 节的 W/R 位来决定数据通信的发端和收端,发端每发送 1个字节数据,收端必须回应 1个ACK 应答信号。数据传输完成后,主机发送 STOP 信号结束本次通信。

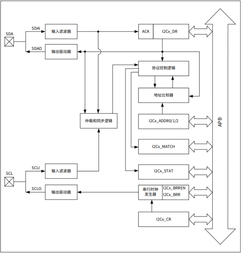
2.功能框图

I2C 模块主要包括时钟发生器、输入滤波器、地址比较器、协议控制逻辑、仲裁和同步逻辑、以及相关寄存器等。

1.png

CW32L083 支持用户灵活选择 GPIO 作为 I2C 通信引脚,如下表所示:

2.png

3.I2C中断

I2C 控制寄存器 I2Cx_CR 的 SI 位域为中断标志位。当 I2C 状态寄存器 I2Cx_STAT 的 STAT 位域值发生改变(变成 0xF8 除外)时,I2Cx_CR.SI 标志位就会被置位,同时产生中断请求。在用户 I2C 中断服务程序中,应查询 I2C 状态寄存器 I2Cx_STAT 的 STAT 位域值获取 I2C 总线的状态,以确定中断产生原因。设置 I2Cx_CR.SI 为 0 清除该标志位。

4.工作模式

I2C 控制器支持 4 种工作模式:主机发送模式、主机接收模式、从机发送模式、从机接收模式。另外还支持广播 接收模式,其工作方式和从机接收模式类似。

三、EEPROM(CW24C02AD)

1.功能简介

CW24C02是一个2Kbit的串行EEPROM存储芯片,可存储256个字节数据。芯片内部分为32页,每页8字节。工作电压范围为1.7V到5.5V,I2C接口时钟频率为 1MHz (5V,3V),400 KHz (1.7V)。器件地址为1010 A2 A1 A0,对于我们单板A2 A1 A0引脚全部接GND,故器件地址为1010000,即0x50。器件内部存储空间地址长度8 bit。

2.读写时序

字节写操作时序:起始信号+器件地址(7bit)+读写指示(1bit)+存储空间地址(8bit)+写入数据(8bit)+停止信号,即可完成指定字节写入操作。

3.png

页写操作时序:起始信号+器件地址(7bit)+读写指示(1bit)+存储空间地址(8bit)+写入数据(8bit*8)+停止信号,即可完成指定地址(必须是页起始地址)的页写入操作。

4.png

随机读操作时序:起始信号+器件地址(7bit)+读写指示(1bit)+存储空间地址(8bit)+重复起始信号+器件地址(7bit)+读写指示(1bit),之后器件会返回1字节数据,主机收到后发送停止信号,即可完成指定字节读取操作。

5.png

顺序读操作时序:和随机读时序类似,只是在主机接收到1字节数据后,不发送停止信号,而是继续发送时钟进行下一个字节数据的接收,直到所有所需读取的数据全部读取,之后再发送停止信号。

四、硬件连接

如下图所示,MCU和EEPROM通过I2C总线互连。

6.png

五、实例演示:MCU采用页写和顺序读操作时序完成EERPOM的访问。

1.I2C读写EEPROM芯片中断函数(I2C分为I2C1和I2C2)

void I2c1EepromReadWriteInterruptFunction(void)
{
    u8State = I2C_GetState(CW_I2C1);// I2C:获取状态寄存器函数
    switch(u8State)
    {
        case 0x08:     //发送完START信号
        I2C_GenerateSTART(CW_I2C1, DISABLE);// 发送START信号
        I2C_Send7bitAddress(CW_I2C1, I2C_SLAVEADDRESS,0X00);// 做主时发送从机地址字节
        break;
        case 0x10:     //发送完重复起始信号
        I2C_GenerateSTART(CW_I2C1, DISABLE);
        if(0 == SendFlg)
        {
            I2C_Send7bitAddress(CW_I2C1, I2C_SLAVEADDRESS,0X00);    //写命令
        }
        else
        {
            I2C_Send7bitAddress(CW_I2C1, I2C_SLAVEADDRESS,0X01); //读命令,eeprom 随机读
        }
        break;
        case 0x18:    //发送完SLA+W/R字节
        I2C_GenerateSTART(CW_I2C1, DISABLE);
        I2C_SendData(CW_I2C1, u8Addr);   //发送访问EEPROM的目标地址字节
        break;
        case 0x20:    //发送完SLA+W后从机返回NACK
        case 0x38:    //主机在发送 SLA+W 阶段或者发送数据阶段丢失仲裁  或者  主机在发送 SLA+R 阶段或者回应 NACK 阶段丢失仲裁
        case 0x30:    //发送完一个数据字节后从机返回NACK
        case 0x48:    //发送完SLA+R后从机返回NACK
        I2C_GenerateSTOP(CW_I2C1, ENABLE);
        I2C_GenerateSTART(CW_I2C1, ENABLE);
        break;
        case 0x58:    //接收到一个数据字节,且NACK已回复
        u8Recdata[u8RecvLen++] = I2C_ReceiveData(CW_I2C1);//所有数据读取完成,NACK已发送
        receivedflag =1;
        I2C_GenerateSTOP(CW_I2C1, ENABLE);//发送停止条件
        break;
        case 0x28:     //发送完1字节数据:发送EEPROM中memory地址也会产生,发送后面的数据也会产生
        if(0 == SendFlg)
        {
            if(u8SendLen <WRITELEN)
            {
                 I2C_SendData(CW_I2C1,u8Senddata[u8SendLen++]);
            }
            else
            {
                u8SendLen = 0;
                Comm_flg = 1;
                SendFlg = 1;
                I2C_GenerateSTOP(CW_I2C1, ENABLE);//发送完数据,发送停止信号
            }
        }
        else//SendFlg=1为读,SendFlg=0为写。读数据发送完地址字节后,重复起始条件
        {
            CW_I2C1->CR_f.STA = 1;  //set start       //发送重复START信号,START生成函数改写后,会导致0X10状态被略过,故此处不调用函数
            I2C_GenerateSTOP(CW_I2C1, DISABLE);
        }
        break; 
        case 0x40:     //发送完SLA+R信号,开始接收数据
        u8RecvLen = 0;
        if(READLEN>1)
        {
            I2C_AcknowledgeConfig(CW_I2C1,ENABLE);//读取数据超过1个字节才发送ACK
        }
        break;
        case 0x50:     //接收完一字节数据,在接收最后1字节数据之前设置AA=0;
        u8Recdata[u8RecvLen++] = I2C_ReceiveData(CW_I2C1);
        if(u8RecvLen==READLEN-1)
        {
            I2C_AcknowledgeConfig(CW_I2C1,DISABLE);;
        }
        break;
    }
    I2C_ClearIrq(CW_I2C1);
}

2.设置系统时钟

void RCC_Configuration(void)
{
    CW_SYSCTRL->APBEN1_f.I2C1 = 1U;   
}

3.设置GPIO口

void GPIO_Configuration(void)
{
    GPIO_InitTypeDef GPIO_InitStructure = {0};
    CW_SYSCTRL->AHBEN_f.GPIOA  = 1;
    CW_SYSCTRL->AHBEN_f.GPIOB  = 1;
    CW_SYSCTRL->AHBEN_f.GPIOC  = 1;
    CW_SYSCTRL->AHBEN_f.GPIOD  = 1;
    CW_SYSCTRL->AHBEN_f.GPIOE  = 1;
    CW_SYSCTRL->AHBEN_f.GPIOF  = 1;
    
    PB10_AFx_I2C1SCL();
    PB11_AFx_I2C1SDA();
    GPIO_InitStructure.Pins = I2C1_SCL_GPIO_PIN | I2C1_SDA_GPIO_PIN;
    GPIO_InitStructure.Mode = GPIO_MODE_OUTPUT_OD;
    GPIO_Init(I2C1_SCL_GPIO_PORT, &GPIO_InitStructure);
}

4.配置嵌套矢量中断控制器

void NVIC_Configuration(void)
{
     __disable_irq();
    NVIC_EnableIRQ(I2C1_IRQn);
    __enable_irq();
}
void I2C1_IRQHandler(void)
{
    I2c1EepromReadWriteInterruptFunction();
}

5.定义常量

#define  I2C1_SCL_GPIO_PORT       CW_GPIOB
#define  I2C1_SCL_GPIO_PIN        GPIO_PIN_10   
#define  I2C1_SDA_GPIO_PORT       CW_GPIOB
#define  I2C1_SDA_GPIO_PIN        GPIO_PIN_11    
//EEPROM内部地址
uint8_t u8Addr = 0x00;        //地址字节
#define WRITELEN   8          //写数据长度
#define READLEN   8           //读数据长度
#define WriteReadCycle  35    //写读次数,每次写入数据为n+i(n为次数,i=0~7)
uint8_t u8Senddata[8] = {0x66,0x02,0x03,0x04,0x05,0x60,0x70,0x20};
uint8_t u8Senddata2[8] = {0x55,0xAA,0xAA,0x55,0x55,0xAA,0x55,0xAA};
uint8_t u8Recdata[16]= {0x00};
uint8_t u8SendLen=0;
uint8_t u8RecvLen=0;
uint8_t SendFlg = 0,Comm_flg = 0;
uint8_t u8recvflg=0;
uint8_t u8State = 0;
uint8_t receivedflag = 0;    //读取完成标志

6.主程序:利用I2C接口,采用中断方式读写EEPROM芯片(CW24C02)。

int32_t main(void)
{
    I2C_InitTypeDef I2C_InitStruct = {0};
    uint16_t tempcnt = 0 ;
    RCC_Configuration();//时钟初始化
    GPIO_Configuration();//IO口初始化
    //I2C初始化
    I2C_InitStruct.I2C_Baud = 0x01;//500K=(8000000/(8*(1+1)) ,波特率计数器配置
    I2C_InitStruct.I2C_BaudEn = ENABLE;// 波特率计数器使能
    I2C_InitStruct.I2C_FLT = DISABLE; //<FLT配置
    I2C_InitStruct.I2C_AA =  DISABLE; //<ACK配置
    I2C1_DeInit();
    I2C_Master_Init(CW_I2C1,&I2C_InitStruct);//初始化模块
    NVIC_Configuration();//中断设置
    //I2C模块开始工作
    I2C_Cmd(CW_I2C1,ENABLE);  //模块使能
    tempcnt =0;
    for(uint8_t i=0; i<8; i++)
    {
        u8Senddata[i] = i;
    }
    while(1)
    {
        I2C_GenerateSTART(CW_I2C1, ENABLE); //开始信号
        while(1)
        {
            while(!Comm_flg) ; //等待数据发送完成
            FirmwareDelay(3000);
            
            Comm_flg = 0; //启动读数据过程
            receivedflag=0;
            I2C_GenerateSTART(CW_I2C1, ENABLE); //开始信号
            while(!receivedflag) ; //等待数据读取完成
            receivedflag = 0; //初始化下一次写数据
            SendFlg = 0;
            u8RecvLen = 0;
            tempcnt++;
            for(uint8_t i=0; i<8; i++)
            {
                u8Senddata[i] =tempcnt+i;
            }
            break;
        }

        if(tempcnt >=WriteReadCycle) //测试次数完成,退出
        {
            break;
        }
    }
    while(1);
}

7.程序流程

程序完成I2C主设备配置后,先将u8Senddata数组中的内容写入到EEPROM的第1页(CW24C02每页8字节):发送START信号后,I2C模块会产生状态改变中断,在中断服务程序中根据不同状态值进行不同处理,直到完成CW24C02的页写模式所有数据字节以及STOP信号发送,发送完成后置写操作流程完成标志。主循环中判断到写操作流程完成后,启动从EERROM的第1页数据读取流程:发送启动信号后,I2C模块会产生状态改变中断,在中断服务程序中根据不同状态值进行不同处理,直到完成CW24C02的顺序读模式所有数据字节发送及读取,在发送完STOP信号后置读操作流程完成标志。主循环中判断读操作流程完成后,初始化u8Senddata数组内容,重复下一次测试过程。完成WriteReadCycle变量设置的测试次数后退出。

来源:武汉芯源半导体

免责声明:本文为转载文章,转载此文目的在于传递更多信息,版权归原作者所有。本文所用视频、图片、文字如涉及作品版权问题,请联系小编进行处理(联系邮箱:cathy@eetrend.com)。