简介
本系列文章回答了常见的问题,并指出了单片机(MCU)的一些细节之处,除非通篇阅读硬件手册,否则可能会忽略这些细节。本系列文章并不适合取代硬件手册,而是对手册的一种补充,重点介绍大多数工程师在开始自己的设计时需要的一些关键项目。本系列文章还从应用的角度探讨了一些设计决策。
目标MCU
RA2 MCU系列
目录
1. 电源
2. 仿真器支持
3. MCU工作模式
4. 选项设置存储器
5. 安全电路
6. 复位要求和复位电路
7. 存储器
8. 寄存器写保护
9. I/O端口配置
10. 模块停驶功能
11. 终端控制单元
12. 低功耗
13. 外部总线
14. 24位Sigma-Delta A/D转换器(SDADC24)
15. 可配置开关的运算放大器(OPAMP)
16. 一般布线实践
17. 参考资料
1. 电源
RA系列具有数字电源和模拟电源。电源使用以下引脚。
表1. 数字电源

注1:仅适用于RA2A1。VCC_USB同时支持输入和输出。输入时被用USB收发器的电源。输出时则为USBLDO稳压器的输出电压,此时需要连接外部电容。如果不使用USB LDO稳压器,请将此引脚连接至VCC。使用稳压器时,请通过0.1 µF电容将此引脚连接至VSS。
注2:仅适用于RA2L1。请参阅RA2L1用户手册 硬件篇 “内部电压稳压器”章的内容进行操作。
表2. 模拟电源

注:1. 对于RA2A1而言,适用于16位ADC。
2. 仅RA2A1产品有此引脚。
3. RA2E2产品无此引脚。
4. 当RA2E2不使用12位ADC时,将VREFH0和VREFL0分别连接至VCC和VSS。
1.1 参考资料
有关RA MCU系列的电源的更多信息,请在瑞萨电子官网参见以下文档:
• R01UH0888 RA2A1系列,RA2A1系列用户手册:硬件
• R01UH0852 RA2E1系列,RA2E1系列用户手册:硬件
• R01UH0919 RA2E2系列,RA2E2系列用户手册:硬件
• R01UH0853 RA2L1系列,RA2L1系列用户手册:硬件
各产品之间的章节编号可能会有所不同。
第1章“概述”列出了每个封装中的电源引脚以及建议的旁路电容。
第5章“复位”探讨了上电复位以及如何将其与其他复位源区分开。
第7章“低压检测”详细介绍了可用于监视电源的低压检测电路。“选项设置存储器”一章还介绍了如何在启动时自动使能低压检测0电路。
第11章“备用电池功能”介绍了如何为RTC和副时钟振荡器提供备用电池。
如果打算使用片上模数转换器(ADC)或数模转换器(DAC),请参见以下章节内容以了解有关如何为这些外设提供经过滤波的电源的详细信息:
12位A/D转换器 (ADC12)
16位A/D转换器 (ADC16)
24位Sigma-Delta A/D转换器 (SDADC24)
8位D/A转换器 (DAC8)
12位D/A转换器 (DAC12)
表 3. RA2 MCU系列用户手册:硬件

2. 仿真器支持
RA2 MCU产品支持使用SWD进行调试,并可使用SCI通信进行串行编程。借助该仿真器,可以轻松地在调试和串行编程之间进行切换。
SWD仿真器接口应连接到符合ARM标准的10引脚或20引脚插座。添加了TXD和RXD引脚,以使用SCI通信进行串行编程。
仿真器支持有助于产品开发和原型设计,一旦进入生产环节,则不再需要仿真器支持。此种情况下,请依照各硬件手册中“未使用引脚的处理”章节中的内容配置端口,也可参照本系列内容后文9.5章节的内容。
2.1 SWD接口

图1. SWD接口连接
注:1. 用户系统复位电路的输出必须为集电极开路。
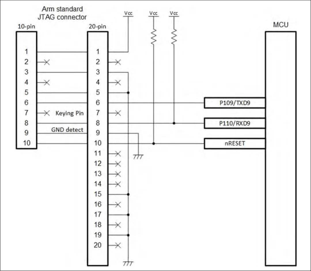
2.2 使用SCI的串行编程接口

图2. 使用SCI连接的串行编程接口
注:1. 用户系统复位电路的输出必须为集电极开路
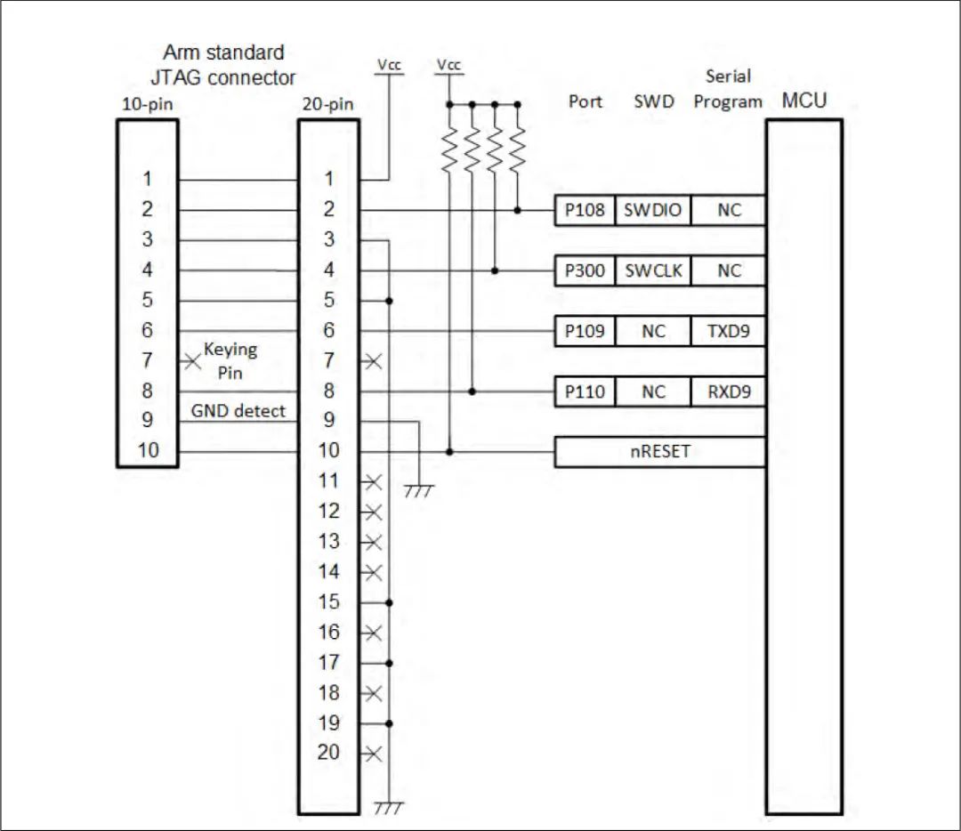
2.3 多路仿真器接口

图3. 支持SWD调试接口和SCI烧写的多路仿真器接口连接
注:1. 用户系统复位电路的输出必须为集电极开路。
来源:瑞萨MCU小百科
免责声明:本文为转载文章,转载此文目的在于传递更多信息,版权归原作者所有。本文所用视频、图片、文字如涉及作品版权问题,请联系小编进行处理(联系邮箱:cathy@eetrend.com)。