跳转到主要内容
winniewei 提交于

作者:ADI公司  Wei Gu应用总监

简介

当电源设计人员想要大致了解电源的反馈环路时,他们会利用环路增益和相位波特图。知道环路响应可进行预测有助于缩小反馈环路补偿元件的选择范围。生成增益和相位图的精准方法是:在试验台上连接电源,并使用网络分析仪;但在设计的早期阶段,大部分设计人员会选择采用计算机模拟,通过模拟快速确定大致的元件选择范围,并且,更直观地了解环路对参数变化的响应。

本文主要研究适用于电流模式控制电源的反馈控制模型。电流模式控制在开关模式DC-DC转换器和控制器中相当常见,相比电压模式控制,它具有多项优势:更出色的线路噪声抑制、自动过流保护、更易于进行并联操作,以及得到改善的动态响应。

设计人员已经可以采用大量电流模式电源平均模型。有些模型的精准度达到开关频率的一半,可以匹配不断增高的转换器带宽,但只适用于有限的拓扑,例如降压、升压,以及降压-升压拓扑(非4开关降压-升压)。遗憾的是,适用于SEPIC和Ćuk等拓扑的3端口或4端口平均模型的精准度还达不到开关频率的一半。

本文将介绍LTspice®模拟模型,其精准度达到开关频率(甚至是相对较高的频率)的一半,适合多种拓扑,包括:

降压

升压

降压-升压

SEPIC

Ćuk

正激式

反激式

本文展示分段线性系统(SIMPLIS)结果模拟,以确定新模型的有效性,并举例说明模型的具体应用。在一些示例中,使用测试结果来验证模型。

电流模式控制模型:简要概述

在这部分,我们将重申关于电流模式控制模型的一些要点。为了更全面地了解电流模式模型,请参阅文末“参考资料”部分中提到的刊物。

电流环路的作用在于:让电感电流循着控制信号的路线行进。在电流环路中,平均电感电流信息被反馈给具有检测增益的调制器。调制器增益Fm可通过几何计算得出,前提是,假设恒定电感电流斜坡上升,外部补偿电流也斜坡上升。为了模拟电感电流斜坡上升变化的影响,我们在模型中额外增加了两个增益:前馈增益(kf)和反馈增益(kr),如图1所示。

1.jpg

1.电流模式控制的平均模型绘图R. D. Middlebrook

为了将图1所示的平均模型的有效性扩展到高频范围,研究人员基于离散时间分析和样本数据分析的结果,提出了几种经过改进的平均模型。在R. B. Ridley的模型(参见图2)中,采样保持效应可以用He(s)函数等效表示,它可以插入连续平均模型的电感电流反馈路径中。由于该模型是从离散时间模型演化而来,所以能够准确预测次谐波振荡。

2.jpg

2.经过改进的电流模式控制的平均模型,绘图:R. B. Ridley

另一种经过改进的平均模型由F. D. Tan和R. D. Middlebrook提出。为了考虑电流环路中的采样效应,必须在源自低频模型的电流环路增益上再增加一个极点,如图3所示。

3.jpg

3.经过改进的电流模式控制的平均模型,绘图:F. D. Tan

除了R. B. Ridley的模型外,R. W. Erickson提出的电流控制模型也很受欢迎。电感电流波形如图4所示。

4.jpg

4.稳态电感电流波形,包含外部补偿斜坡上升

平均电感电流表示为:

5.jpg

其中iL表示检测到的电流,ic表示误差放大器发出的电流命令,Ma表示外加补偿斜坡,m1和m2分别表示输出电感电流的上升和下降斜坡。扰动和线性化结果:

6.jpg

根据此公式和规范开关模型,可以得出电流模式转换器模型。

一个经过改进的新平均模型

R. W. Erickson的模型可以帮助电源设计人员从物理角度深入了解,但其精准度还不到开关频率的一半。为了将该模型的有效性扩展到高频范围,我们基于离散时间分析和样本数据分析的结果,提出了一种经过改进的平均模型(参见图5)。

7.jpg

5.提出的经过改进的电流模式控制平均模型

根据电感动态采样数据模型,可以得出:

8.jpg

其中,T为开关周期,

9.jpg

可以得出图5所示的模型的Gic(s):

10.jpg

其中ωc是内部电流环路Ti的穿越频率,如图5所示,关于各种拓扑的值ωc,请参见表1。

1.不同拓扑的内部电流环路交叉频率(ωc)

拓扑

电流环路c)

降压

VIN/L/Ma/T

升压

VO/L/Ma/T

降压-升压,Ćuk*

 (VIN – VO)/L/Ma/T

SEPIC*

 (VIN + VO)/L/Ma/T

反激式**

 (VIN + VO   /NSP)/L/Ma/T

正激式**

VIN × NSP2   /L/Ma/T

*对于两个单独的电感,L=L1×L2/(L1+L2)

**NSP是次级与初级的匝数比

降压转换器示例

在图5中,我们将Fv反馈环路与iL反馈环路并联。我们也可以将Fv反馈环路作为iL反馈环路的内部环路。图6显示了包含附加的Gic(s)级的完整降压转换器模型。

11.jpg

6.经过改进的降压转换器平均模型的框图

控制至输出传递函数Gvc (s)为

12.jpg

电流环路增益Ti (s)和电压环路增益Tv (s)可以通过以下公式计算得出:

13.jpg

14.jpg

其中:

15.jpg

在图7中,基于新电流模式模型计算得出的环路增益与SIMPLIS结果一致。在这个示例中,VIN = 12 V,VOUT = 6 V,IOUT = 3 A,L = 10 µH,COUT = 100 µF,fSW = 500 kHz。

16.jpg

7.MathCAD结果与SIMPLIS结果(fSW = 500 kHz)的对比

采用LTspice4端口模型

基于图5所示的经过改进的平均模型构建了一个4端口模型。在闭环操作中,这个4端口模型可以使用标准的电路分析程序(例如免费的LTspice)来分析PWM拓扑,以确定DC和小信号特征。

图8显示了使用LTspice对各种拓扑实施模拟的模拟原理图,对每种拓扑都使用相同的模型。图中未显示反馈电阻分压器、误差放大器和补偿元件。要对真实的DC-DC转换器模型使用此模型,应将误差放大器的输出连接至VC引脚。

17.jpg

8.使用LTspice模型来模拟多种拓扑(a)降压(b)升压(c) SEPIC(d) Ćuk(e)反激式。

关于图8所示的各种LTspice行为电压源指令,请参见表2。E1表示开关开启时加在电感的电压,E2表示开关关闭时加在电感上的电压,V3表示斜坡补偿幅度,Ei表示电感电流。

2.8所示的电路的LTspice行为电压源指令

拓扑结构

E1

E2

V3

Ei

Buck

降压

V(IN) – V(OUT)

V(OUT)

Ma/fsw

i(L)

升压

V(IN)

V(OUT) – V(IN)

Ma/fsw

i(L)

SEPIC

V(SW) – V(SWB) + V(IN)

V(OUT) + V(SW) – V(SWB)

– V(IN)

Ma/fsw

i(L1) + i(L2)

Ćuk

V(SW) – V(SWB) +

V(OUT) + V(IN)

V(OUT) + V(SW) – V(SWB)

– V(IN)

Ma/fsw

i(L1) + i(L2)

反激式

V(IN)

V(OUT)/Nsp

Ma/fsw

i(L)

图9显示了采用2个独立电感的SEPIC转换器的模拟结果,该结果与一半开关频率时的SIMPLIS结果匹配。在这个示例中:VIN = 20 V,VOUT = 12 V,IOUT = 3 A,L = 4.7 µH,COUT = 120 µF,C1 = 10 µF,fSW = 300 kHz。

18.jpg

9.SEPIC转换器的LTspice模拟结果和SIMPLIS模拟结果(fSW = 300 kHz)对比

19.jpg

10.LT3580 LTspice模型

20.jpg

11.波特图(fSW = 2 MHz)

21.jpg

12.使用LT87144象限控制器LTspice模型

新模型的测试验证

图11所示的新LTspice模型针对以前传统模型不支持的拓扑进行了测试验证,包括Ćuk、4象限和4开关降压-升压拓扑。

在测试台上验证Ćuk控制器模型

LT3580是一款包含内部2 A、42 V开关的PWM DC-DC转换器。LT3580可以配置为升压、SEPIC或Ćuk转换器,其AC模型适用于所有这些拓扑。图10显示了一个Ćuk转换器,其中,fSW = 2 MHz,VOUT = –5 V。图11比较LTspice模拟波特图和实际测试结果,在一半开关频率范围内,它们非常一致。

在测试台上验证4象限控制器模型

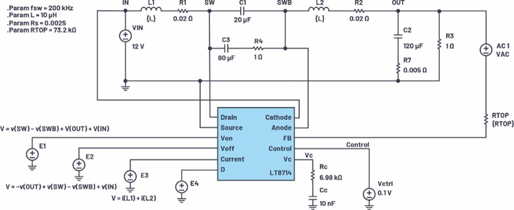
LT8714是一款专为4象限输出转换器设计的同步PWM DC-DC控制器。输出电压通过吸电流和灌电流输出功能,不受干扰地转换通过0V。配置用于新的4象限拓扑时,LT8714非常适合用于调节正、负或0V输出。应用包括:4象限电源、高功率双向电流源、有源负载,以及高功率、低频信号放大。

基于CONTROL引脚电压,输出电压可能为正,也可能为负。在图12所示的示例中,当引脚电压为0.1 V时,输出电压为–5 V,当引脚电压为1 V时,输出电压为5 V,VIN为12 V,开关频率为200 kHz。

图13比较通过LTspice模拟得出的波特图和实际测试得出的图——在开关频率的一半范围内,它们的结果非常一致。控制电压(CONTROL)为1 V,这使得VOUT (OUT)为5 V。

22.jpg

13.波特图(fSW = 200 kHz)

23.jpg

14.波特图(fSW = 200 kHz)

24.jpg

15.LT8390 LTspice模型

图14比较通过LTspice模拟得出的波特图和实际测试得出的结果——在开关频率的一半范围内,它们的结果非常一致。控制电压(CONTROL)为0.1 V,这使得VOUT (OUT)为-5 V。

在测试台上验证4开关降压-升压模型

LT8390是一款同步4开关降压-升压DC-DC控制器,可根据高于、低于或等于输出电压的输入电压调节输出电压(和输入或输出电流)。专有的峰值-降压/峰值-升压电流模式控制方案支持可调节的固定频率运行方式。

LT8390 LTspice AC模型通过监测输入和输出电压,自动从四种运行模式中选择一种:降压、峰值-降压、峰值-升压和升压。图15显示LT8390示例电路。图16和图17分别显示降压和升压模式的LTspice模拟结果和实际测试结果。在开关频率的一半范围内,两条曲线非常一致。

25.jpg

16.波特图(fSW = 150 kHz)VIN = 20 VVOUT = 12 VIOUT = 5 A

26.jpg

17.波特图(fSW = 150 kHz)VIN = 8 VVOUT = 12 VIOUT = 5 A

总结

通过建立这个电流模式控制模型,既可以提供样本数据模型的准确性,也可以提供4端口开关模型的简洁性和通用性。本文展示一个统一的LTspice模型,在一半开关频率内,该模型保持准确,适用于降压、升压、降压-升压、SEPIC、Ćuk、反激式和正激式拓扑。将LTspice模拟结果与实际测试结果比对,以进行验证。在连续导通模式下设计电流模式转换器时,此模型适用于分析环路。

作者简介

Wei Gu是电源产品应用总监。他于2006年加入ADI公司(以前为凌力尔特)。他获得了浙江大学颁发的电气工程学士学位,以及中佛罗里达大学颁发的电气工程博士学位。

干货 | 适用于电流模式DC-DC转换器的统一的LTspice AC模型