作者:ADI公司 Atsuhiko Furukawa,现场应用工程师
问题:
为什么使用DC-DC转换器应尽可能靠近负载的负载点(POL)电源?

答案:
效率和精度是两大优势,但实现POL转换需要特别注意稳压器设计。
接近电源。这是提高电源轨的电压精度、效率和动态响应的最佳方法之一。负载点转换器是一种电源DC-DC转换器,放置在尽可能靠近负载的位置,以接近电源。因POL转换器受益的应用包括高性能CPU、SoC和FPGA——它们对功率级的要求都越来越高。例如,在汽车应用中,高级驾驶员辅助系统(ADAS)——例如雷达、激光雷达和视觉系统——中使用的传感器数量在稳步倍增,导致需要更快的数据处理(更多功耗)以最小的延迟检测和跟踪周围的物体。
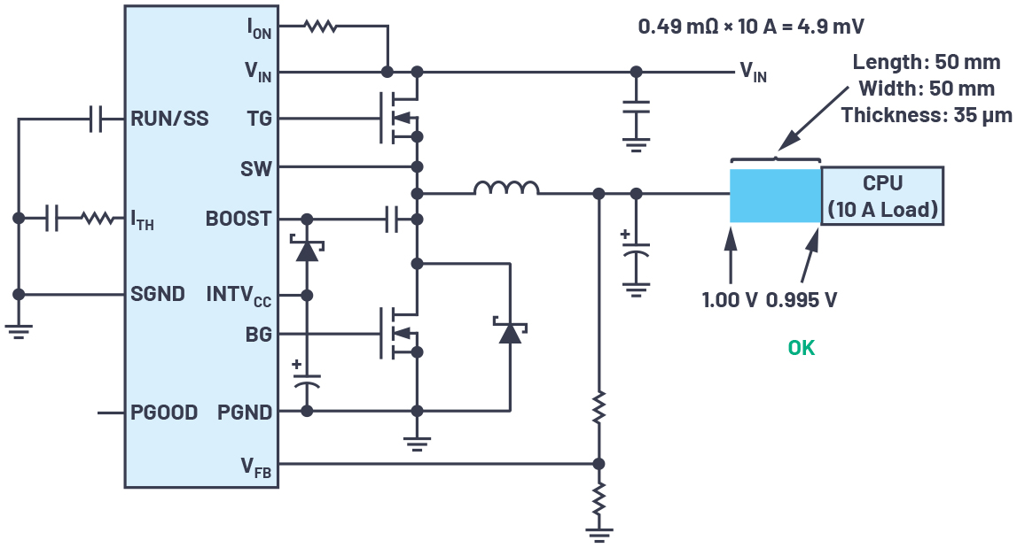
在这些数字系统中,有很多都使用高电流和低电压,因此更需要尽可能缩短电源和负载之间的距离。高电流导致的一个明显问题是,从转换器到负载,线路产生的电压会不断下降。图1和图2显示了电源和负载之间引线电阻的最小化如何使转换器的输出电压降最小化——本例中是控制器IC和为CPU供电的MOSFET。

图1.PCB走线较窄情况下的DC-DC输出电压降

图2.PCB走线较宽情况下的DC-DC输出电压降
图2所示的较宽PCB走线减小了压降以达到精度要求,但还必须考虑寄生电感。图2中的PCB走线长度估计有约14.1 nh的电感,如图3的LTspice®模型所示。

图3.PCB走线电感的LTspice模型
电感会抑制电流的动态变化di/dt,当负载变化时,经过该寄生电感的电流受其时间常数限制,瞬态响应劣化。寄生电感导致的结果是电压下降,如图4中的仿真图所示。

图4.DC-DC输出电压突降和瞬态电流
将转换器放在负载附近可使PCB电阻和寄生电感的影响最小。DC-DC转换器IC应放置在最靠近CPU的位置。注意,图1和图2显示了传统高电流电源(即开关模式控制器和外部FET)的原理图。控制器FET解决方案可以处理上述应用所需的高电流负载。控制器解决方案的问题是外部FET有空间要求,因而可能难以获得真正的POL稳压器解决方案,如图5的示例布局所示。

图5.DC-DC转换器与CPU的理想布局
控制器的一个替代方案是单芯片解决方案,其中FET在转换器IC内部。例如,LTC3310S单片降压调节器(IC尺寸为3 mm×3 mm)可实现负载点解决方案,单个IC最多可提供10 A电流,并联多个IC可提供20 A电流。这些IC分别如图6和图12所示。

图6.LTC3310S降压调节器

图7.小尺寸LTC3310S支持POL布局
除了小封装尺寸外,LTC3310S还支持最大5 MHz的开关频率——高频工作可减小必要的输出电容和整体解决方案PCB尺寸。图8显示了LTC3310S的负载瞬态性能,其中8 A负载变化导致的输出电压偏移小于±40 mV,此性能的实现只需要110μF输出电容。

图8.LTC3310S的瞬态响应
尽管使用高功率单片POL转换器具有明显的优点,但有一个因素可能是搅局者:热量。如果转换器产生的热量过多,则它将无法用于已然很热的系统中。
在上述解决方案中,LTC3310S内部温度升幅通过高效率操作而得以最小化,即使在CPU、SoC和FPGA等高功耗器件周围的恶劣温度条件下,它也能够可靠地运行。此外,LTC3310S内置精密温度传感器,支持通过SSTT引脚测量内部结温,如图10所示,相应的温度传感器特性如图11所示。

图9.LTC3310S的热摄像头图像

图10.LTC3310S温度检测引脚

图11.软启动和温度监控操作
某些单片稳压器可通过多相并联操作扩展到更高负载应用。图12显示了多个LTC3310S器件并联并错相工作,使得电流能力加倍。
控制器的时钟由RT引脚上的单个电阻设置,子节点的相对相位通过RT引脚上的电阻分压器编程。在图12所示的情况中,RT接地,将子节点设置为相对于控制器相移180°。
图13显示了2通道转换器的电感电流和输出纹波电流,如图12所示。同相性能与双反相性能进行比较。反相操作将输出纹波电流(通过抵消)从14 A峰峰值(单相)降低到6 A峰峰值(双相),而无需额外的外部滤波器。
结论
总之,LTC3310S是一款高效且小型的POL解决方案,适用于为高耗电CPU、SoC、FPGA供电的高电流电源系统。其尺寸很小,并可优化功率效率,导致自发热很低,因而其可以非常靠近负载。它可以轻松并联,在多相解决方案中使用多个LTC3310S可提高功率。

图12.20 A双相单片稳压器POL解决方案

图13.比较两个版本的双通道转换器的电感电流和输出电流:(a) 同相通道与 (b) 反相通道
作者简介
Atsuhiko Furukawa于2006年加入凌力尔特(现在已成为ADI公司的一部分)。10多年以来,他一直为中小型客户提供多种应用技术支持。2017年,他被调到汽车部门,现在主要负责设计大型(几kW)和小型安全汽车应用。Atsuhiko是一名马拉松长跑健将,取得的最好成绩是3小时3分钟。联系方式:atsuhiko.furukawa@analog.com。